ГОСТ 17621-89
Группа А19
ГОСУДАРСТВЕННЫЙ СТАНДАРТ СОЮЗА ССР
УГЛИ КАМЕННЫЕ
Метод определения выхода жидкоподвижных продуктов из пластической массы угля
Coals. Method for determination of moving-liquid products yield from plastic mass of coal
ОКСТУ 0309
Срок действия с 01.01.91
до 01.01.2001*
_______________________________
* Ограничение срока действия снято
по протоколу N 7-95 Межгосударственного Совета
по стандартизации, метрологии и сертификации
(ИУС N 11,1995 год). - Примечание изготовителя базы данных.
ИНФОРМАЦИОННЫЕ ДАННЫЕ
1. РАЗРАБОТАН И ВНЕСЕН Министерством черной металлургии СССР
РАЗРАБОТЧИКИ СТАНДАРТА
Л.М.Харькина, канд. техн. наук (руководитель темы); А.Ф.Кузниченко; Л.Г.Орехова; Ю.В.Бирюков, д-р. техн. наук; И.Д.Дроздник, канд. техн. наук; Л.М.Акимова
2. УТВЕРЖДЕН И ВВЕДЕН В ДЕЙСТВИЕ Постановлением Государственного комитета СССР по стандартам от 17.08.89 N 2579
3. ВЗАМЕН ГОСТ 17621-72
4. Срок первой проверки - 1999 г.
Периодичность проверки - 7 лет
5. ССЫЛОЧНЫЕ НОРМАТИВНО-ТЕХНИЧЕСКИЕ ДОКУМЕНТЫ
| Обозначение НТД, на который дана ссылка | Номер раздела, пункта |
| ГОСТ 380-88 | 2 |
| ГОСТ 1186-87 | 3.1 |
| ГОСТ 3044-84 | 2 |
| ГОСТ 3956-76 | 2 |
| ГОСТ 5072-79 | 2 |
| ГОСТ 6613-86 | 2 |
| ГОСТ 9815-75 | 1 |
| ГОСТ 10742-71 | 1 |
| ГОСТ 24104-88 | 2 |
| ГОСТ 25336-82 | 2 |
Настоящий стандарт распространяется на каменные угли и устанавливает метод определения выхода продуктов термической деструкции угля (жидкоподвижных, твердого остатка, парогазовых и летучих веществ) в период пластичности под действием центробежной силы.
Метод основан на нагревании угля в загрузочном патроне трубчатой электропечи центрифуги с одновременным отфильтровыванием жидкоподвижных продуктов термической деструкции в момент их образования.
Метод применим в интервале значений жидкоподвижных продуктов от 3 до 80%.
1. МЕТОД ОТБОРА И ПОДГОТОВКИ ПРОБ
1. МЕТОД ОТБОРА И ПОДГОТОВКИ ПРОБ
Отбор и подготовка проб углей - по ГОСТ 9815 и ГОСТ 10742.
При измельчении пробы до крупности 0-3 мм не допускается ее переизмельчение; массовая доля зерен угля крупностью 1-3 мм в лабораторной пробе должна составлять не менее 35%.
2. АППАРАТУРА
Установка, приведенная на черт.1, с электрической схемой, приведенной на черт.2, состоящая из:
центрифуги, обеспечивающей частоту вращения не менее 1500 мин;
печи трубчатой (черт.3) с электрическим обогревом, обеспечивающей напрев проб угля со скоростью до 100 °С/мин в интервале температур от 20 до 600 °С;
патрона загрузочного (черт.4) из тугоплавкого керамического материала длиной (135±1) мм, внешним диаметром (30,5±0,5) мм и внутренним диаметром (26,5±0,5) мм;
приемника жидкой фазы (черт.5), изготовленного из стекла "пайрекс" или другого тугоплавкого материала высотой (70,0-0,5) мм и внешним диаметром (25,0±0,5) мм;
вкладыша высотой (30,0±0,1) мм, внутренним диаметром (20,0±0,1) мм, изготовленного из стали марки 3 по ГОСТ 380*;
________________
* На территории Российской Федерации действует ГОСТ 380-2005. - Примечание изготовителя базы данных.
сетки стальной N 08 по ГОСТ 6613, используемой для фильтрования жидкой фазы.
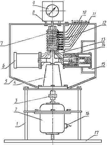
Черт.1. Центрифуга
Центрифуга

1 - крепежная стойка; 2 - электродвигатель; 3 - муфта; 4 - корпус подшипников; 5 - кожух центрифуги; 6 - резервная электропечь; 7 - токосъемник; 8 - крепление тахометра; 9 - тахометр; 10 - контакты термопары; 11 - подвод электрического тока к электропечи; 12 - скользящие контакты; 13 - держатели печи; 14 - электропечь; 15 - дверцы; 16 - контакты электродвигателя; 17 - опорная плита
Черт.1
Черт.2. Электросхема центрифуги
Электросхема центрифуги

1 - тумблеры; 2 - предохранители; 3 - сопротивления; 4 - неоновые лампы; 5 - ЛАТРы; 6 - амперметр; 7 - электропечь; 8 - гальванометр; 9 - скользящие контакты; 10 - термопара; 11 - электродвигатель; 12 - вольтметр
Черт.2
Черт.3. Печь трубчатая
Печь трубчатая

1 - крышка печи; 2 - корпус печи; 3 - загрузочный патрон; 4 - винт; 5 - электроспираль; 6 - изоляторная трубка; 7 - термопара: 8 - изоляционная масса; 9 - вкладыш; 10 - опорное кольцо; 11 - приемник; 12 - пробка
Черт.3
Черт.4. Загрузочный патрон
Загрузочный патрон

1 - приемник; 2 - фильтр-сетка; 3 - угольная загрузка класса 1-3 мм; 4 - угольная загрузка класса 0-1 мм; 5 - асбестовая прокладка; 6 - термопара; 7 - чехол термопары; 8 - вкладыш; 9 - загрузочный патрон; 10 - жидкоподвижные продукты; 11 - пробка
Черт.4
Черт.5. Приемник жидкой фазы
Приемник жидкой фазы

Черт.5
Сита с квадратными отверстиями размером 3х3 и 1х1 мм.
Термопара типа ТХА по ГОСТ 3044 с милливольтметром.
Весы лабораторные общего назначения по ГОСТ 24104* с погрешностью взвешивания не более 0,01 г или любые другие весы, отвечающие указанным требованиям.
_________________
* На территории Российской Федерации действует ГОСТ Р 53228-2008. - Примечание изготовителя базы данных.
Эксикатор по ГОСТ 25336 с кальцием хлористым по ТУ 6-06-4711 или прокаленным силикагелем по ГОСТ 3956.
Секундомер по ГОСТ 5072.
3. ПОДГОТОВКА К ИСПЫТАНИЮ
3.1. Высушенную до воздушно-сухого состояния лабораторную пробу угля крупностью 0-3 мм рассеивают на ситах с размером отверстий 1 и 3 мм. Полученный уголь классов 1-3 мм и 0-1 мм взвешивают в отдельности и устанавливают их массовую долю в пробе.
Зольность пробы угля не должна превышать 10%. При зольности угля более 10% пробу обогащают по ГОСТ 1186.
Концентрат обогатительных фабрик, для которого установлена норма зольности более 10%, испытывают при его фактической зольности.
3.2. Для определения выхода продуктов термической деструкции берут навеску угля массой 6 г, состоящую из двух отдельных частей - класса 1-3 мм и 0-1 мм, взятых пропорционально массовой доле этих классов в исходной воздушно-сухой пробе угля.
Взвешивания производят с точностью до второго десятичного знака.
3.3. Собирают установку по схеме, указанной на черт.1 и 2. При сборке печи зазор между внутренней стенкой загрузочного патрона и поверхностью вкладыша должен составлять 0,5-1,0 мм.
Перед началом работы проверяют крепления центрифуги. После этого балансируют центрифугу, добавляя балласт в резервную печь, чтобы вращение ее не вызвало вибрации приборов и стука.
3.4. Проводят загрузку патрона. Для этого в нижнюю часть его (см. черт.4) помещают взвешенный приемник жидкоподвижных продуктов. Затем нижнее отверстие патрона закрывают резиновой пробкой и проверяют его на герметичность. Нижнюю часть патрона опускают в воду и в верхнее его отверстие вдувают воздух.
На приемник жидкой фазы ставят вкладыш, снабженный фильтрующей сеткой. Затем на фильтрующую сетку послойно загружают навеску угля массой 6 г. Сначала на сетку загружают уголь класса 1-3 мм, а сверху его насыпают уголь класса 0-1 мм.
На угольную загрузку кладут кружок фильтровальной бумаги, который накрывают листовым асбестом.
3.5. Подготовленный патрон помещают в трубчатую электрическую печь через ее донное отверстие, завинчивают дно печи, на вкладыш помещают термопару и закрывают дверцу кожуха центрифуги.
3.6. Собранную установку, электросхема которой (см. черт.2) смонтирована на пульте управления, включают в энергосеть.
4. ПРОВЕДЕНИЕ ИСПЫТАНИЯ
4.1. Включают нагрев печи. Через 1-2 мин включают центрифугу и плавно увеличивают число ее оборотов до 1500 мин. Следят за скоростью повышения температуры, регулируя ее таким образом, чтобы температура угольной массы достигла 300 °С в течение 5 мин. В интервале температур от 300 до 600 °С скорость нагрева навески угля должна составлять (70±5) °С/мин. При достижении температуры 550 °С электропечь выключают, при этом температура повышается до 600 °С за счет тепловой энергии.
4.2. Через 12 мин, считая от начала опыта, центрифугу выключают и после полной ее остановки открывают дверцу кожуха. Отвинчивают дно печи, извлекают загрузочный патрон, снимают резиновую пробку, осторожно выталкивают приемник с жидкоподвижными продуктами и вкладыш с твердым остатком, которые затем помещают в эксикатор для охлаждения.
4.3. Жидкоподвижные продукты взвешивают вместе с приемником. Подтеки жидкоподвижных продуктов, прошедшие через сетку, но оставшиеся на ее внешней стороне, отделяют от сетки и взвешивают вместе с жидкоподвижными продуктами.
Твердый остаток отделяют от вкладыша и асбестовой прокладки, помещают на кальку и тоже взвешивают.
Выход парогазовой фазы определяют по разности между массой исходной навески угля и суммой масс жидкоподвижных продуктов и твердого остатка.
Все взвешивания производят с точностью до второго десятичного знака.
4.4. Следующее испытание проводят после охлаждения электропечи до температуры не более 40 °С.
4.5. Определение выхода продуктов деструкции угля производят параллельно в двух навесках.
5. ОБРАБОТКА РЕЗУЛЬТАТОВ
5.1. Выход жидкоподвижных продуктов и твердого остатка
в процентах вычисляют по формуле
, (1)
где - масса жидкоподвижных продуктов или твердого остатка, г;
- масса исходной воздушно-сухой навески угля, г.
5.2. Выход парогазовой фазы в процентах вычисляют по формуле
. (2)
5.3. Выход жидкоподвижных продуктов и твердого остатка
и парогазовой фазы
в пересчете на горючую массу угля в процентах вычисляют по формулам:
; (3)
, (4)
; (5)
где ,
- выход жидкоподвижных продуктов и твердого остатка из воздушно-cухой навески угля, %;
- массовая доля влаги навески угля, %;
- аналитическая зольность навески угля, %;
- аналитическая зольность жидкоподвижных продуктов, %.
Пример ускоренного расчета выхода жидкоподвижных продуктов приведен в приложении.
5.4. Вычисление результатов испытания производят до первого десятичного знака и окончательный результат округляют до целого числа.
5.5. Расхождения между результатами двух определений выхода жидкоподвижных продуктов не должны превышать значений, указанных в таблице.
| Выход жидкоподвижных продуктов, % | Допускаемое расхождение | |
| в одной лаборатории | в разных лабораториях | |
| До 15 включ. | 2,0 | 2,5 |
| От 15 до 50 включ. | 3,0 | 3,5 |
| Св. 50 | 4,0 | 4,5 |
5.6. За окончательный результат определения принимают среднее арифметическое результатов двух параллельных определений, если расхождения не превышают допускаемых.
Если расхождение между результатами двух параллельных определений выше допускаемых, то проводят третье определение и за окончательный результат принимают среднее арифметическое результатов двух наиболее близких определений в пределах допускаемых расхождений.
ПРИЛОЖЕНИЕ (рекомендуемое). ПРИМЕР УСКОРЕННОГО РАСЧЕТА ВЫХОДА ЖИДКОПОДВИЖНЫХ ПРОДУКТОВ
ПРИЛОЖЕНИЕ
Рекомендуемое
В результате многочисленных экспериментов установлено, что при принятых условиях опыта зольность жидкой фазы для большинства углей колеблется в пределах 2-4% независимо от зольности исходного угля. Поэтому при практической работе допускается принимать зольность жидкой фазы , равную 3%.
Ускоренный расчет выхода жидкоподвижных продуктов на горючую массу угля в процентах производят по формуле
, (6)
где - число, получаемое при вычитании из 100 значения зольности жидкоподвижных продуктов, равного 3%;
- выход жидкоподвижных продуктов из воздушно-сухой навески угля, %;
- массовая доля влаги навески угля, %;
- аналитическая зольность навески угля, %.